Commodore C64 Homepage


 Home
 cManager
 Spende 
 Artikel
 Newsadmin
 TOP 50
 Suche
 Spiele
 Emulator
 Tools
 FAQ
 Forum
 Impressum
 Links

 Newsarchiv
 NL-Archive


C16


Reviews:
Strip Poker





Artikel

Seite: 1 2 3 4 5
Bauanleitung für Resettaster am User-Port
Bauanleitung für Resettaster am User-Port

Bauanleitung für Resettaster am User-Port




Downloads:
Bauanleitung Resettaster am User-Port als PDF    

Bauanleitung C16/C64/C128 TV-SCART
Bauanleitung C16/C64/C128 TV-SCART

Bauanleitung für Verbindungskabel C16/C64/C128 am TV mit SCART-Stecker




Downloads:
Bauanleitung C16/C64/C128 TV-SCART als PDF    

Schaltplan DIY-Paddle
Schaltplan DIY-Paddle

DIY-Paddle für alle C64-Spiele mit Paddle-Unterstützung




Downloads:
Schaltplan DIY-Paddle als JPG    

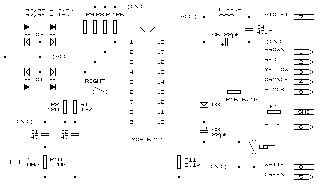
Schaltplan 1351 Mouse
Schaltplan 1351 Mouse

Die 1351 Mouse für den C64 unter Geos.




Downloads:
Schaltplan 1351 Mouse als GIF